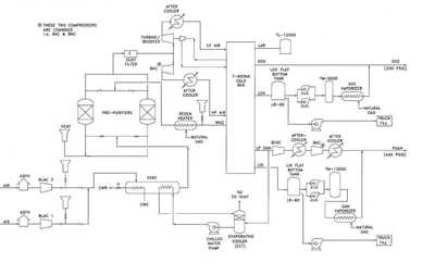
Description
Used air separation unit commissioned in 1997 and shut down in 2017.
Plant can produce the following:
– 402,500 SCFH Gaseous Oxygen (GOX) at 200 psig, 99.5% purity PLUS Gaseous Oxygen (GOX) 100,000 SCFH at 3 psig. N2 purity <10PPM O2.
- 102,000 SCFH of Liquid Oxygen (LOX)
- 1,872,000 KSCFH of Gaseous Nitrogen (GAN) at 400 psig PLUS 74,000 SFCH of Liquid Nitrogen (LIN)
- 23,900 SCFG of Liquid Argan (LAR), <1PPM O2 and <1PPM N2
- 305,600 SCFH of Waste Gaseous Nitrogen
More detailed information on request.